Z80 Solenoid Operated Directional Control Valve
Z80 A ES3 24/12 VDC | 2Z80-A-ES3-24/12-VDC
Directional control valves are one of the core elements in a hydraulic system. They help directing the fluid to different components such as hydraulic cylinders or motors.
Directional control valves perform three functions:
Stop fluid flow
Allow fluid flow
Change direction of fluid flow.
There is a part called «spool» inside control valve which can be operated mechanically or electrically. The movement of the spool lets oil flow or blocks the oil flow in other words it controls the movement of fluid. Hydropack provide solenoid operated on-off directional control valves with different capacities and spool types.
* Spool is open center “A” spool with spring return. Working port threads (A & B) are G 1/2"
* Max. Pressure P: 315 bar, T: 50 bar, A-B: 300 bar
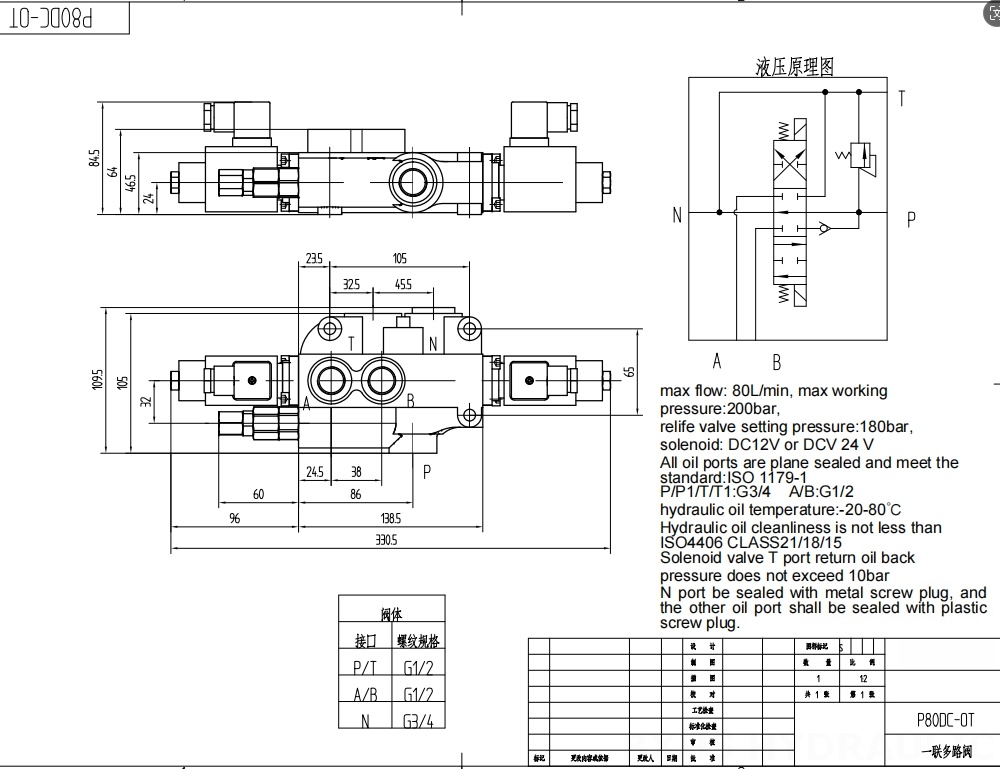
Specification
Ports:G 1/2
Max. Pressure:300 BAR
Series:Z80
Number Of Spool:one spool
Spool Type:open center spool/closed center spool
Working Flow Rate:80L/min
Voltage:12V/24V




